Automobilski svet je pun skraćenica. Počevši od oznaka motora, menjača do elektronskih sistema. Svaki proizvođač se trudi da izmisli neku novu, revolucionarnu skraćenicu. Srećom, mudri ljudi su se dogovorili oko normi označavanja metričkih jedinica poput konjske snage ili NM. Jedino još nisu uspeli da dovedu i proizvođače automobila u red, kako bi napravili jedinstven registar skraćenica za automobilske sisteme, tako da danas npr. sistem označavanja dizel motora sa common rail sistemom kod jednog proizvođača iman naziv D4D, kod drugog CTDi, trećeg dCI, itd.
Jedna od tih magičnih skraćenica, koje mahom služe samo da zbunjuju obične ljude i da golobradim online ekspertima posluže za razmetanje na forumima i parkinzima jeste Nissanov sistem ATTESA. U literaturi ćete je najčešće sresti povezanu sa antologijskim imenom Skyline GT-R, iako postoje i drugi modeli Nissana koji su imali ugrađen ovakav sistem.
Krenimo pre svega od samog imena sistema. Skraćenica služi da bi neko novo, ponekad revolucionarno rešenje poprilično dugačkog imena svelo na nešto pitkije, i pre svega u kucanju i izražavanju prihvatljivije. ATTESSA u originalu je skraćenica od engleskih reči “Advanced Total Traction Engineering System for All-Terrain”. Laički rečeno, u pitanju je sistem pogona na 4 točka (4WD), koji je razvio Nissan, i koji je ugrađivan, pored modela iz Nissanove palete i u vozila Nissanove luksuzne divizije Infiniti. Za one koje zanima više informacija o samom sistemu ATTESA, mogu sve informacije pronaći na Wikipediji.
Moja priča odnosiće se na ATTESA-ETS sistem ugrađivan u Nissanovu legendu – model Skyline GT-R, i to u najpoznatijim modelima kao što su R32, R33 i R34.

Na veliku žalost svih poznavalaca i ljubitelja ovih modela, mi nemamo nijedan primerak na srpskim putevima (registrovan u Srbiji). Postojao je jedan primerak R33 srebrne boje koji je krstario ulicama Beograda. Na žalost u non turbo GTS opciji, koja ne poseduje ovaj sistem.

Ovo je primerak o kome je reč, za sada nije bilo informacija da je primećen. Ove fotografije su stare nekoliko godina.

To nas ne sprečava da učimo i saznajemo o ovom, sada već kultnom modelu, pa tako i sistemima ugrađenim u njega, zbog čega je zasluzio nadimak Godzilla.
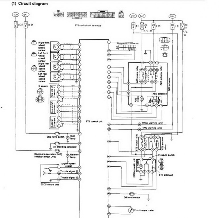
Pošto ste se inicijalno edukovali preko Wikipedie o čemu ja ovde konkretno pričam, u nastavku ću se pozabaviti radom samog sistema, kao i svim greškama korisnika. Ono što je praksa pokazala, kompletan sistem samog kućišta i lamelica sistema je veoma dobro projektovan od strane Nissana. Smešten je u izuzetno kompaktno kućište (znamo da je masa najveći neprijatelj performansi), ovaj sistem, ukoliko nije vožen “suv” ili na minimumu, retko će prouzrokovati probleme. Naravno, sve ima svoje granice, tako da ukoliko se ovaj sistem koristi na drag trkama, pri čemu je snaga motora (280 ks) povećana duplo ili troduplo, doći će do otkazivanja ili loma sklopa. Postoji izraz u engleskom jeziku za odlično projektovane stvari, koje trpe i duplo veću snagu od proračunate i predviđene – “bulletproof”. Slobodno možemo reći da ATTESSA sistem spada u takve.
Attesa sistem je pre svega jedan konvencionalan i prilično jednostavan sistem prenosa snage na 4 točka. Svima vam je poznat super auto osamdesetih – Porsche 959. U suštini, ATTESSA sistem je usavršen sistem sa trkačkog Porschea 959. Čak i danas, 20 godina od premijere sistema, on i dalje pruža odlične performanse i može da se nosi sa mnogo modernijim rešenjima, gde elektronika igra veću ulogu nego što je to bio slučaj dvadeset godina ranije. Mi ćemo se baviti ATTESA-ETS sistemom, koji nose Skyline GT-R modeli, a koji je prvi put predstavljen 1989. godine sa promocijom R32 generacije.

Postoji jedna stvar koja nije svojstvena samo našem narodu, a može se primeniti kod vlasnika vozila sa ovim sistemom. Čitajte korisničko uputstvo (user manual). Sistem može biti odlično isprojektovan, ali ukoliko je korišćenje samog sistema nepravilno ne postoji stvar koja ne može da otkaže poslušnost. Iz iskustva poznatih tunerskih radionica, specijalizovanih za GT-R modele, 75% kvarova je isključivo usled nepravilnog održavanja vlasnika vozila.
Problemi se kreću od pogrešno instaliranih aftermarket delova, ulja pogrešne gradacije, do pogrešno povezanih komponenata što dovodi do lomljenja zupčanika u kućištu i lamelica koje se nalaze unutar njega.
Kod GT-R modela, sve tri najpoznatije generacije (R32, R33 i R34), imaju drugačiji softver. To je i logično, jer se sistem konstatno usavršavao, tj. njegov mozak (ECU). Najbolji dokaz su pobede na stazama u legendarnom JGTC šampionatu.

Srce ATTESA-ETS sistema je ATTESA Power-Pack jedinica, koja se nalazi odmah posle menjačke kutije. Doduše, pošto ima motor postavljen uzdužno (RB26DETT), zadnji pogon je logičan, ali je ovde dodat i prednji pogon.














Komentari